欧洲杯投注
CR Home
华润网群
繁體版
主页
全景介绍
公司概况
欧洲杯投注
视频专区
联系我们
新闻资讯
欧洲杯投注
通知公告
媒体传真
公司大事记
专题专栏
投资者关系
公司治理
公司管理层
股票信息
临时公告
定期报告
投资者服务
欧洲杯投注网群
华润老桐君
欧洲杯投注 (北京)
欧洲杯投注 (枣庄)
欧洲杯投注 (南昌)
欧洲杯投注 (黄石)
欧洲杯投注 (郴州)
华润顺峰
华润本溪三药
华润天和
三九金复康
九星印刷
大健康事业部
专业品牌事业部
国药事业部
创新业务事业部
处方药事业部
产业链专班
欧洲杯投注 医贸
三九健康天地
欧洲杯投注 (香港)
中药创新中心
产品与服务
业务领域
产品展示
客户服务
不良反应
社会责任
责任理念
责任报告
责任活动
责任荣誉
EHS专题
ESG专区
人力资源
人才招聘
人才选用
风采展示
信息公开
公司治理
发展成果
人事变动
负责人薪酬
阳光宣言
商业行为规范
联系我们
网站地图
隐私条款
免责声明
社会责任
责任理念
责任报告
责任活动
责任荣誉
EHS专题
EHS资讯
EHS荣誉
ESG专区
相关政策
ESG实践
EHS资讯
主页
>
社会责任
>
EHS专题
>
EHS资讯
2022.03.02
欧洲杯投注 废水检测报告(2021年4月毒性)
了解更多>>>
2022.03.02
欧洲杯投注 废水检测报告(2021年3月毒性)
了解更多>>>
2022.03.02
欧洲杯投注 废水检测报告(2021年11月)
了解更多>>>
2022.03.02
欧洲杯投注 废水检测报告(2021年8月)
了解更多>>>
2022.03.02
欧洲杯投注 废水检测报告(2021年5月)
了解更多>>>
2022.03.02
欧洲杯投注 废水检测报告(2021年3月)
了解更多>>>
2022.03.02
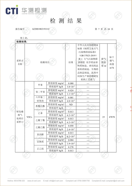
欧洲杯投注 废气检测报告(2021年12月全检)
了解更多>>>
2022.03.02
欧洲杯投注 废气检测报告(2021年8月全检)
了解更多>>>
上一页
1
...
3
4
5
...
13
下一页
共13页
101条记录
跳至:
页
确定
返回到主页
回到顶部